LD18011A/BRGシリーズ
1000個
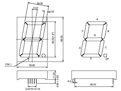
ノート:
1.すべての寸法はミリメートル(インチ)単位で、公差は+ 特に記載がない限り、0.25 mm(0.01インチ)。
2.仕様は予告なしに変更されることがあります。
3.反射板とプリント基板の間隔は0.25mmを超えてはいけません。
表1:
| 1桁7セグメントLEDディスプレイ、桁の高さ:38.00mm(1.80インチ)、外形寸法: 38.00x56.00x11.00mm(LxWxHmm) | |||||||
| 説明 | 品番 | チップ | Iv(mcd)@ 20mA | ||||
| カソード列 | 陽極列 | 素材 | 色 | W LD (nm) | ワンセグ(DP) | ||
| 分 | タイプ | ||||||
| 標準 輝度 | LD18011ARG | LD18011BRG | GaAlAs | スーパーレッド | 640 | 18(8) | 22.5(10) |
| ギャップ | 緑 | 568 | 15.75(7) | 20.25(9) | |||
| 超高 輝度 | LD18011AURUG | LD18011BURUG | AlGaInP | ウルトラレッド | 640 | 67.5(30) | 101.25(45) |
| AlGaInP | ウルトラグリーン | 573 | 67.5(30) | 101.25(45) | |||
表2:1ドットのパラメータ
|
| 電気光学特性[1] | 絶対最大定格[1] | ||||
| 色 | 進む 電圧(V) @ IF = 20mA | 逆 現在 VR = 5V (uA) |
消費電力 (mW) |
DC順方向電流 (mA) | ピーク順方向電流[2] (mA) | |
| ワンセグ(DP) | タイプ | 最大 | ||||
| スーパーレッド | 5.4(1.8) | 6.6(2.2) | 80(30) | 180(60) | 25 | 100 |
| 緑 | 6.6(2.2) | 7.5(2.5) | 80(30) | 240(80) | 30 | 100 |
| ウルトラレッド | 5.7(1.9) | 7.8(2.6) | 80(30) | 180(60) | 30 | 100 |
| ウルトラグリーン | 6.3(2.1) | 7.8(2.6) | 80(30) | 225(75) | 30 | 100 |
| 運転/保管温度:-40〜+ 80℃。 鉛はんだ温度:260℃。 3-5秒パッケージベース下2mm | ||||||
ノート:
Ta = 25°である。
2. 1/10デューティサイクル、0.1msパルスでの順方向電流のピーク値
ノート:
1.すべての寸法はミリメートル(インチ)単位で、公差は+ 特に記載がない限り、0.25 mm(0.01インチ)。
2.仕様は予告なしに変更されることがあります。
3.反射板とプリント基板の間隔は0.25mmを超えてはいけません。
表1:
| 1桁7セグメントLEDディスプレイ、桁の高さ:38.00mm(1.80インチ)、外形寸法: 38.00x56.00x11.00mm(LxWxHmm) | |||||||
| 説明 | 品番 | チップ | Iv(mcd)@ 20mA | ||||
| カソード列 | 陽極列 | 素材 | 色 | W LD (nm) | ワンセグ(DP) | ||
| 分 | タイプ | ||||||
| 標準 輝度 | LD18011ARG | LD18011BRG | GaAlAs | スーパーレッド | 640 | 18(8) | 22.5(10) |
| ギャップ | 緑 | 568 | 15.75(7) | 20.25(9) | |||
| 超高 輝度 | LD18011AURUG | LD18011BURUG | AlGaInP | ウルトラレッド | 640 | 67.5(30) | 101.25(45) |
| AlGaInP | ウルトラグリーン | 573 | 67.5(30) | 101.25(45) | |||
表2:1ドットのパラメータ
|
| 電気光学特性[1] | 絶対最大定格[1] | ||||
| 色 | 進む 電圧(V) @ IF = 20mA | 逆 現在 VR = 5V (uA) |
消費電力 (mW) |
DC順方向電流 (mA) | ピーク順方向電流[2] (mA) | |
| ワンセグ(DP) | タイプ | 最大 | ||||
| スーパーレッド | 5.4(1.8) | 6.6(2.2) | 80(30) | 180(60) | 25 | 100 |
| 緑 | 6.6(2.2) | 7.5(2.5) | 80(30) | 240(80) | 30 | 100 |
| ウルトラレッド | 5.7(1.9) | 7.8(2.6) | 80(30) | 180(60) | 30 | 100 |
| ウルトラグリーン | 6.3(2.1) | 7.8(2.6) | 80(30) | 225(75) | 30 | 100 |
| 運転/保管温度:-40〜+ 80℃。 鉛はんだ温度:260℃。 3-5秒パッケージベース下2mm | ||||||
ノート:
Ta = 25°である。
2. 1/10デューティサイクル、0.1msパルスでの順方向電流のピーク値