LD8012A/Bシリーズ
1000個
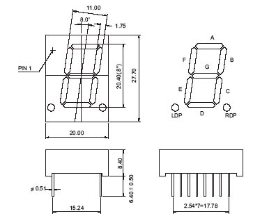
ノート:
1.すべての寸法はミリメートル(インチ)単位で、公差は+ 特に記載がない限り、0.25 mm(0.01インチ)。
2.仕様は予告なしに変更されることがあります。
3.反射板とプリント基板の間隔は0.25mmを超えてはいけません。
| 1桁7セグメントLEDディスプレイ、桁の高さ:20.4 mm(0.80インチ)、外形寸法:20.00×27.70×8.40 mm(L×W×H mm) | ||||||||
| 品番 | チップ | IV @ IF = 20mA | IV @ IF = 20mA | |||||
| 一般 陰極 | 一般 アノード | 素材 | 色 | WLD | ワンセグ | 1 DP | ||
| 分 | タイプ | 分 | タイプ | |||||
| LD8012AR | LD8012BR | GaAlAs | スーパーレッド | 640 | 8 | 10 | 8 | 10 |
| LD8012AD | LD8012BD | GaAlAs | こんにちは赤 | 640 | 18 | 25 | 18 | 25 |
| LD8012AO | LD8012BO | GaAsP | オレンジ | 625 | 7 | 9 | 7 | 9 |
| LD8012AY | LD8012BY | GaAsP | 黄 | 588 | 8 | 10 | 8 | 10 |
| LD8012AG | LD8012BG | ギャップ | 緑 | 568 | 7 | 9 | 7 | 9 |
| LD8012AUR | LD8012BUR | AlGaInP | ウルトラレッド | 640 | 30 | 45 | 30 | 45 |
| LD8012AUO | LD8012BUO | AlGaInP | ウルトラオレンジ | 625 | 45 | 60 | 45 | 60 |
| LD8012AUA | LD8012BUA | AlGaInP | ウルトラアンバー | 605 | 30 | 45 | 30 | 45 |
| LD8012AUY | LD8012BUY | AlGaInP | ウルトライエロー | 595 | 30 | 45 | 30 | 45 |
| LD8012AUG | LD8012BUG | AlGaInP | ウルトラグリーン | 573 | 30 | 45 | 30 | 45 |
| LD8012APG | LD8012BPG | InGaN | ピュアグリーン | 525 | 120 | 300 | 120 | 300 |
| LD8012AUB | LD8012BUB | InGaN | ウルトラブルー | 470 | 30 | 45 | 30 | 45 |
| LD8012AUW | LD8012BUW | InGaN | ウルトラホワイト | \ | 100 | 120 | 100 | 120 |
| 単位: | \ | \ | \ | nm | McD | McD | McD | McD |
ノート:
1.すべての寸法はミリメートル(インチ)単位で、公差は+ 特に記載がない限り、0.25 mm(0.01インチ)。
2.仕様は予告なしに変更されることがあります。
3.反射板とプリント基板の間隔は0.25mmを超えてはいけません。
| 1桁7セグメントLEDディスプレイ、桁の高さ:20.4 mm(0.80インチ)、外形寸法:20.00×27.70×8.40 mm(L×W×H mm) | ||||||||
| 品番 | チップ | IV @ IF = 20mA | IV @ IF = 20mA | |||||
| 一般 陰極 | 一般 アノード | 素材 | 色 | WLD | ワンセグ | 1 DP | ||
| 分 | タイプ | 分 | タイプ | |||||
| LD8012AR | LD8012BR | GaAlAs | スーパーレッド | 640 | 8 | 10 | 8 | 10 |
| LD8012AD | LD8012BD | GaAlAs | こんにちは赤 | 640 | 18 | 25 | 18 | 25 |
| LD8012AO | LD8012BO | GaAsP | オレンジ | 625 | 7 | 9 | 7 | 9 |
| LD8012AY | LD8012BY | GaAsP | 黄 | 588 | 8 | 10 | 8 | 10 |
| LD8012AG | LD8012BG | ギャップ | 緑 | 568 | 7 | 9 | 7 | 9 |
| LD8012AUR | LD8012BUR | AlGaInP | ウルトラレッド | 640 | 30 | 45 | 30 | 45 |
| LD8012AUO | LD8012BUO | AlGaInP | ウルトラオレンジ | 625 | 45 | 60 | 45 | 60 |
| LD8012AUA | LD8012BUA | AlGaInP | ウルトラアンバー | 605 | 30 | 45 | 30 | 45 |
| LD8012AUY | LD8012BUY | AlGaInP | ウルトライエロー | 595 | 30 | 45 | 30 | 45 |
| LD8012AUG | LD8012BUG | AlGaInP | ウルトラグリーン | 573 | 30 | 45 | 30 | 45 |
| LD8012APG | LD8012BPG | InGaN | ピュアグリーン | 525 | 120 | 300 | 120 | 300 |
| LD8012AUB | LD8012BUB | InGaN | ウルトラブルー | 470 | 30 | 45 | 30 | 45 |
| LD8012AUW | LD8012BUW | InGaN | ウルトラホワイト | \ | 100 | 120 | 100 | 120 |
| 単位: | \ | \ | \ | nm | McD | McD | McD | McD |