LD10016C/Dシリーズ
1000個
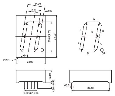
ノート:
1.すべての寸法はミリメートル(インチ)単位で、公差は+ 特に記載がない限り、0.25 mm(0.01インチ)。
2.仕様は予告なしに変更されることがあります。
3.反射板とプリント基板の間隔は0.25mmを超えてはいけません。
表1:
| 1桁7セグメントLEDディスプレイ、桁数:25.40mm(1.00インチ)、外形寸法:24.00x34.00x10.50mm(LxWxHmm) | ||||||||
| 品番 | チップ | IV @ IF = 20mA | IV @ IF = 20mA | |||||
| 一般 陰極 | 一般 アノード | 素材 | 色 | WLD | ワンセグ | 1 DP | ||
| 分 | タイプ | 分 | タイプ | |||||
| LD10016CR | LD10016DR | GaAlAs | スーパーレッド | 640 | 8 | 10 | 8 | 10 |
| LD10016CD | LD10016DD | GaAlAs | こんにちは赤 | 640 | 18 | 25 | 18 | 25 |
| LD10016CO | LD10016DO | GaAsP | オレンジ | 625 | 7 | 9 | 7 | 9 |
| LD10016CY | LD10016DY | GaAsP | 黄 | 588 | 8 | 10 | 8 | 10 |
| LD10016CG | LD10016DG | ギャップ | 緑 | 568 | 7 | 9 | 7 | 9 |
| LD10016CUR | LD10016DUR | AlGaInP | ウルトラレッド | 640 | 30 | 45 | 30 | 45 |
| LD10016CUO | LD10016DUO | AlGaInP | ウルトラオレンジ | 625 | 45 | 60 | 45 | 60 |
| LD10016CUA | LD10016DUA | AlGaInP | ウルトラアンバー | 605 | 30 | 45 | 30 | 45 |
| LD10016CUY | LD10016DUY | AlGaInP | ウルトライエロー | 595 | 30 | 45 | 30 | 45 |
| LD10016CUG | LD10016DUG | AlGaInP | ウルトラグリーン | 573 | 30 | 45 | 30 | 45 |
| LD10016CPG | LD10016DPG | InGaN | ピュアグリーン | 525 | 120 | 300 | 120 | 300 |
| LD10016CUB | LD10016DUB | InGaN | ウルトラブルー | 470 | 30 | 45 | 30 | 45 |
| LD10016CUW | LD10016DUW | SMD | ウルトラホワイト | \ | 100 | 120 | 100 | 120 |
| 単位: | \ | \ | \ | nm | McD | McD | McD | McD |
ノート:
1.すべての寸法はミリメートル(インチ)単位で、公差は+ 特に記載がない限り、0.25 mm(0.01インチ)。
2.仕様は予告なしに変更されることがあります。
3.反射板とプリント基板の間隔は0.25mmを超えてはいけません。
表1:
| 1桁7セグメントLEDディスプレイ、桁数:25.40mm(1.00インチ)、外形寸法:24.00x34.00x10.50mm(LxWxHmm) | ||||||||
| 品番 | チップ | IV @ IF = 20mA | IV @ IF = 20mA | |||||
| 一般 陰極 | 一般 アノード | 素材 | 色 | WLD | ワンセグ | 1 DP | ||
| 分 | タイプ | 分 | タイプ | |||||
| LD10016CR | LD10016DR | GaAlAs | スーパーレッド | 640 | 8 | 10 | 8 | 10 |
| LD10016CD | LD10016DD | GaAlAs | こんにちは赤 | 640 | 18 | 25 | 18 | 25 |
| LD10016CO | LD10016DO | GaAsP | オレンジ | 625 | 7 | 9 | 7 | 9 |
| LD10016CY | LD10016DY | GaAsP | 黄 | 588 | 8 | 10 | 8 | 10 |
| LD10016CG | LD10016DG | ギャップ | 緑 | 568 | 7 | 9 | 7 | 9 |
| LD10016CUR | LD10016DUR | AlGaInP | ウルトラレッド | 640 | 30 | 45 | 30 | 45 |
| LD10016CUO | LD10016DUO | AlGaInP | ウルトラオレンジ | 625 | 45 | 60 | 45 | 60 |
| LD10016CUA | LD10016DUA | AlGaInP | ウルトラアンバー | 605 | 30 | 45 | 30 | 45 |
| LD10016CUY | LD10016DUY | AlGaInP | ウルトライエロー | 595 | 30 | 45 | 30 | 45 |
| LD10016CUG | LD10016DUG | AlGaInP | ウルトラグリーン | 573 | 30 | 45 | 30 | 45 |
| LD10016CPG | LD10016DPG | InGaN | ピュアグリーン | 525 | 120 | 300 | 120 | 300 |
| LD10016CUB | LD10016DUB | InGaN | ウルトラブルー | 470 | 30 | 45 | 30 | 45 |
| LD10016CUW | LD10016DUW | SMD | ウルトラホワイト | \ | 100 | 120 | 100 | 120 |
| 単位: | \ | \ | \ | nm | McD | McD | McD | McD |