LSD4021A/B
LITEKEY
8531200000
0.40 インチの 2 桁の英数字 SMD LED ディスプレイ
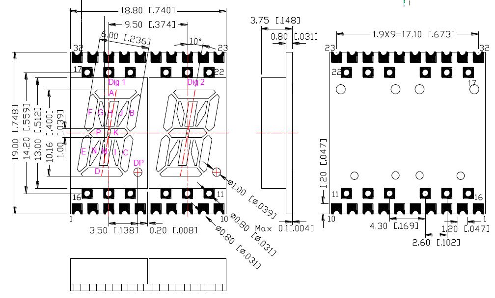
1. 外形寸法と内部回路図
注:
すべての寸法はミリメートル (インチ) 単位であり、特に指定がない限り、公差は 0.25 mm (0.010) です。
2. 選定ガイド
部品番号 | チップ | Iv@IF=20mA | ||||
一般 アノード | 一般 陰極 | 材料 | 色 | WLD | チップごと | |
分。 | 典型的。 | |||||
LSD4021BR-G | LSD4021AR-G | AlGaInP | スーパーレッド | 640 | - | 8 |
LSD4021BUR-G | LSD4021AUR-G | AlGaInP | ウルトラレッド | 620 | - | 15 |
LSD4021BO-G | LSD4021AO-G | AlGaInP | オレンジ | 605 | - | 40 |
LSD4021BY-G | LSD4021AY-G | AlGaInP | 黄色 | 580 | - | 50 |
LSD4021BG-G | LSD4021AG-G | AlGaInP | 緑 | 570 | - | 16 |
LSD4021BPG-G | LSD4021APG-G | InGaN | ピュアグリーン | 520 | - | 35 |
LSD4021BB-G | LSD4021AB-G | InGaN | 青 | 470 | - | 25 |
LSD4021BR-G | LSD4021AR-G | InGaN | 白 | x0.27/y0.25 | - | 60 |
ユニット: | \ | \ | \ | nm | マクド | マクド |
3. 電気的特性と絶対最大定格
パラメータ | 電気 光学特性[1] | 絶対 最大定格[1] | ||||
発光色 | 順電圧 @IF=20mA | 逆行する | 力 散逸 | DCフォワード 現在 | ピークフォワード 現在[2] | |
チップごと | 典型的。 | 最大。 | ||||
スーパーレッド | 2.0 | 2.6 | 30 | 60 | 20 | 100 |
ウルトラレッド | 2.0 | 2.6 | 30 | 65 | 20 | 100 |
オレンジ | 2.0 | 2.6 | 30 | 65 | 20 | 100 |
黄色 | 2.0 | 2.6 | 30 | 65 | 20 | 100 |
緑 | 2.0 | 2.6 | 30 | 75 | 20 | 100 |
ピュアグリーン | 3.0 | 3.6 | 30 | 85 | 20 | 100 |
青 | 3.0 | 3.6 | 30 | 85 | 20 | 100 |
白 | 3.0 | 3.6 | 30 | 85 | 20 | 100 |
ユニット: | V | V | uA | mW | ミリアンペア | ミリアンペア |
4. 適用 表面実装 LED ディスプレイ(SMD LEDディスプレイ)
﹒家電製品。
﹒インストルメントパネル。
﹒デジタル読み取り値が表示されます。
詳細についてはお問い合わせください。
当社のサービス/LITEKEYが選ばれる理由
1. プロフェッショナルサービス: 24時間以内(平日)に返信いたします。
2. ランプ LED のさまざまな既成成形品が利用可能です。 成形品に追加料金を支払う必要はありません。
3. 私たちはまた、あなたの要求に従ってカスタマイズされた製品、デザインを提供することができます。
4. 信頼性が高く安定した品質: 各ピースの 100% テスト。自動検査およびビンコード選択機。
5. 経験: LED コンポーネントを 14 年以上製造しています。
6.先進設備:ASM自動生産機(LED自動機の最大ブランド)
7.集中力:LEDの研究開発、生産、販売に注力します。
0.40 インチの 2 桁の英数字 SMD LED ディスプレイ
1. 外形寸法と内部回路図
注:
すべての寸法はミリメートル (インチ) 単位であり、特に指定がない限り、公差は 0.25 mm (0.010) です。
2. 選定ガイド
部品番号 | チップ | Iv@IF=20mA | ||||
一般 アノード | 一般 陰極 | 材料 | 色 | WLD | チップごと | |
分。 | 典型的。 | |||||
LSD4021BR-G | LSD4021AR-G | AlGaInP | スーパーレッド | 640 | - | 8 |
LSD4021BUR-G | LSD4021AUR-G | AlGaInP | ウルトラレッド | 620 | - | 15 |
LSD4021BO-G | LSD4021AO-G | AlGaInP | オレンジ | 605 | - | 40 |
LSD4021BY-G | LSD4021AY-G | AlGaInP | 黄色 | 580 | - | 50 |
LSD4021BG-G | LSD4021AG-G | AlGaInP | 緑 | 570 | - | 16 |
LSD4021BPG-G | LSD4021APG-G | InGaN | ピュアグリーン | 520 | - | 35 |
LSD4021BB-G | LSD4021AB-G | InGaN | 青 | 470 | - | 25 |
LSD4021BR-G | LSD4021AR-G | InGaN | 白 | x0.27/y0.25 | - | 60 |
ユニット: | \ | \ | \ | nm | マクド | マクド |
3. 電気的特性と絶対最大定格
パラメータ | 電気 光学特性[1] | 絶対 最大定格[1] | ||||
発光色 | 順電圧 @IF=20mA | 逆行する | 力 散逸 | DCフォワード 現在 | ピークフォワード 現在[2] | |
チップごと | 典型的。 | 最大。 | ||||
スーパーレッド | 2.0 | 2.6 | 30 | 60 | 20 | 100 |
ウルトラレッド | 2.0 | 2.6 | 30 | 65 | 20 | 100 |
オレンジ | 2.0 | 2.6 | 30 | 65 | 20 | 100 |
黄色 | 2.0 | 2.6 | 30 | 65 | 20 | 100 |
緑 | 2.0 | 2.6 | 30 | 75 | 20 | 100 |
ピュアグリーン | 3.0 | 3.6 | 30 | 85 | 20 | 100 |
青 | 3.0 | 3.6 | 30 | 85 | 20 | 100 |
白 | 3.0 | 3.6 | 30 | 85 | 20 | 100 |
ユニット: | V | V | uA | mW | ミリアンペア | ミリアンペア |
4. 適用 表面実装 LED ディスプレイ(SMD LEDディスプレイ)
﹒家電製品。
﹒インストルメントパネル。
﹒デジタル読み取り値が表示されます。
詳細についてはお問い合わせください。
当社のサービス/LITEKEYが選ばれる理由
1. プロフェッショナルサービス: 24時間以内(平日)に返信いたします。
2. ランプ LED のさまざまな既成成形品が利用可能です。 成形品に追加料金を支払う必要はありません。
3. 私たちはまた、あなたの要求に従ってカスタマイズされた製品、デザインを提供することができます。
4. 信頼性が高く安定した品質: 各ピースの 100% テスト。自動検査およびビンコード選択機。
5. 経験: LED コンポーネントを 14 年以上製造しています。
6.先進設備:ASM自動生産機(LED自動機の最大ブランド)
7.集中力:LEDの研究開発、生産、販売に注力します。
推奨実装条件:
注:
1.私たち 推薦する の リフロー 温度 245℃(±5℃)。 最大 はんだ付け 温度 すべき なれ 限定 に 260℃。
2.しないでください 原因 ストレス に の エポキシ 樹脂 その間 それ は 露出 に 高い 温度。
3. 番号 の リフロー プロセス するだろう なれ 2 回 または 少ない。
推奨実装条件:
注:
1.私たち 推薦する の リフロー 温度 245℃(±5℃)。 最大 はんだ付け 温度 すべき なれ 限定 に 260℃。
2.しないでください 原因 ストレス に の エポキシ 樹脂 その間 それ は 露出 に 高い 温度。
3. 番号 の リフロー プロセス するだろう なれ 2 回 または 少ない。