LL50IR1W20-940-20
LITEKEY
8541401000
5mm 赤外線放射ダイオード (LL50IR1W20-940-20)
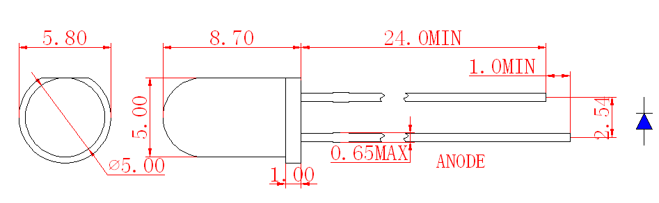
·パッケージの寸法
·セレクションガイド
部品番号 | サイコロ | レンズカラー | |
原材料 | 発光色 | ||
LL50IR1W20-940-20 | AlGaAs/GaAs | 赤外線 | ウォータークリア |
·絶対最大定格 (Ta = 25℃)
アイテム | シンボル | 最大 | ユニット |
消費電力 | PD | 150 | mW |
ピーク順電流 (1/10 デューティサイクル 0.1ms パルス幅) | IFP | 1000 | ミリアンペア |
順電流 | もし | 100 | ミリアンペア |
逆電圧 | VR | 5 | V |
動作温度範囲 | Topr / Tstg | -40℃~+85℃ | |
保存温度範囲 | Topr / Tstg | -40℃~+100℃ | |
鉛はんだ温度 | ツォル | 260℃、3秒 | |
·電気的・光学的特性(Ta=25℃)
アイテム | シンボル | 分。 | 典型的。 | 最大。 | ユニット | Condition |
順電圧 | VF | -- | 1.30 | 1.50 | V | IF=20mA |
逆電流 | IR | -- | -- | 10 | μA | VR=5V |
放射強度 | ええ | 10 | 20 | -- | mW/sr | IF=20mA |
ピーク波長 | λp | -- | 940 | -- | nm | IF=20mA |
スペクトル線座標 | Δλ | - | 50 | - | nm | IF=20mA |
視野角 | 2θ1/2 | -- | 20 | -- | 度 | IF=20mA |
注:
1. すべての寸法はミリメートル単位です。
2. 指定のない限り公差は±0.25mmとなります。
3. 樹脂から 3mm 以内のはんだ付けは推奨しません。
4. あらゆる種類のLEDをテープで作成できます。
·典型的な電気光学特性曲線: IR

イチジク。 3 相対放射対順電流 イチジク。 4 相対放射対順方向ピーク電流
イチジク。 5 順電圧対温度 図6 相対放射対温度
5mm 赤外線放射ダイオード (LL50IR1W20-940-20)
·パッケージの寸法
·セレクションガイド
部品番号 | サイコロ | レンズカラー | |
原材料 | 発光色 | ||
LL50IR1W20-940-20 | AlGaAs/GaAs | 赤外線 | ウォータークリア |
·絶対最大定格 (Ta = 25℃)
アイテム | シンボル | 最大 | ユニット |
消費電力 | PD | 150 | mW |
ピーク順電流 (1/10 デューティサイクル 0.1ms パルス幅) | IFP | 1000 | ミリアンペア |
順電流 | もし | 100 | ミリアンペア |
逆電圧 | VR | 5 | V |
動作温度範囲 | Topr / Tstg | -40℃~+85℃ | |
保存温度範囲 | Topr / Tstg | -40℃~+100℃ | |
鉛はんだ温度 | ツォル | 260℃、3秒 | |
·電気的・光学的特性(Ta=25℃)
アイテム | シンボル | 分。 | 典型的。 | 最大。 | ユニット | Condition |
順電圧 | VF | -- | 1.30 | 1.50 | V | IF=20mA |
逆電流 | IR | -- | -- | 10 | μA | VR=5V |
放射強度 | ええ | 10 | 20 | -- | mW/sr | IF=20mA |
ピーク波長 | λp | -- | 940 | -- | nm | IF=20mA |
スペクトル線座標 | Δλ | - | 50 | - | nm | IF=20mA |
視野角 | 2θ1/2 | -- | 20 | -- | 度 | IF=20mA |
注:
1. すべての寸法はミリメートル単位です。
2. 指定のない限り公差は±0.25mmとなります。
3. 樹脂から 3mm 以内のはんだ付けは推奨しません。
4. あらゆる種類のLEDをテープで作成できます。
·典型的な電気光学特性曲線: IR

イチジク。 3 相対放射対順電流 イチジク。 4 相対放射対順方向ピーク電流
イチジク。 5 順電圧対温度 図6 相対放射対温度
·推奨ウェーブはんだ付けプロファイル:
注:
1.予熱温度は105℃以下(熱電対による測定)を推奨します。
はんだ槽に最大量のはんだを浸漬する前に、LED ピンに取り付けてください。
温度260℃。
2. ピークウェーブはんだ付け温度 245 ~ 255℃、3 秒間 (最大 5 秒)。
3. 85℃以上の温度ではエポキシ樹脂に応力を加えないでください。
4. 取り付けやはんだ付けの際、治具はコンポーネントにストレスを加えないようにしてください。
複数回のウェーブはんだ付けは許可されません。
·この文書の使用条件
1. このドキュメントに含まれる情報は代表的な使用シナリオを反映しており、技術的な参考のみを目的としています。
2. 本書に記載されている品番、型式、仕様は将来予告なく変更、改良される場合があります。本番環境で使用する前に、最新の仕様について最新のデータシートを参照する必要があります。
3. このドキュメントで参照されている製品を使用する場合は、製品がデータシートに指定されている環境および電気的制限内で動作していることを確認してください。お客様の使用量が指定された制限を超えた場合、LITEKEY はその後の問題について責任を負いません。
この文書の情報は、家庭用電化製品アプリケーションでの一般的な使用法に適用されます。お客様のアプリケーションに特別な信頼性要件がある場合、または自動車や医療用途など生命を脅かす責任がある場合は、LITEKEY の担当者にご相談ください。
1.保管条件:
a. 結露した湿気の環境に継続的にさらされることを避け、製品を周囲温度の急激な変化から遠ざけてください。
b. LED は温度 ≤ 30℃、相対湿度 ≤ 60% で保管してください。
c. オリジナルの密封パッケージに入った製品は、開封後 72 時間以内に組み立てることをお勧めします。開封後1週間以上経過した製品は、85~100℃で30(+10/-0)時間ベーキングしてください。

4. リードフォーミングの際は、曲げの力が LED レンズやその内部構造に伝わらないように、工具や治具を使用してリードをしっかりと保持してください。部品を基板に実装した後はリードフォーミングを行わないでください(図④)。
5. リードを2回以上曲げないでください。 (図⑤)
6. はんだ付け中、LED に損傷を与えるストレスがかからないように、コンポーネントのカバーとホルダーには隙間を残す必要があります。
7. スルーホール LED はリフローはんだ付けに対応していません。
8. クリーニング:
a. 室温では、必要に応じて、イソプロピル アルコールのみを使用して洗浄を 1 分以内に行ってください。使用前に室温で乾燥させてください。
b. LED を超音波で洗浄しないでください。どうしても必要な場合、超音波洗浄による LED への影響は、超音波出力や組み立て状態などの要因によって異なります。超音波洗浄は、LED に損傷を与えないように事前に認定されている必要があります。
9. その他:
a. 上記仕様は予告なく変更する場合がございます。 LITEKEY は、上記仕様の重大な変更に関する権限を留保します。
b. 本製品をご使用の際は、仕様書に記載されている絶対最大定格および使用上の注意に従ってください。 LITEKEY は、絶対最大定格および仕様書に記載されている指示に従わない製品の使用によって生じた損害については、一切の責任を負いません。
これらの仕様書には、LITEKEY COMPANY LIMITED の著作権で保護されている資料が含まれています。 LITEKEYの許可なく無断で転載することはご遠慮ください。
·推奨ウェーブはんだ付けプロファイル:
注:
1.予熱温度は105℃以下(熱電対による測定)を推奨します。
はんだ槽に最大量のはんだを浸漬する前に、LED ピンに取り付けてください。
温度260℃。
2. ピークウェーブはんだ付け温度 245 ~ 255℃、3 秒間 (最大 5 秒)。
3. 85℃以上の温度ではエポキシ樹脂に応力を加えないでください。
4. 取り付けやはんだ付けの際、治具はコンポーネントにストレスを加えないようにしてください。
複数回のウェーブはんだ付けは許可されません。
·この文書の使用条件
1. このドキュメントに含まれる情報は代表的な使用シナリオを反映しており、技術的な参考のみを目的としています。
2. 本書に記載されている品番、型式、仕様は将来予告なく変更、改良される場合があります。本番環境で使用する前に、最新の仕様について最新のデータシートを参照する必要があります。
3. このドキュメントで参照されている製品を使用する場合は、製品がデータシートに指定されている環境および電気的制限内で動作していることを確認してください。お客様の使用量が指定された制限を超えた場合、LITEKEY はその後の問題について責任を負いません。
この文書の情報は、家庭用電化製品アプリケーションでの一般的な使用法に適用されます。お客様のアプリケーションに特別な信頼性要件がある場合、または自動車や医療用途など生命を脅かす責任がある場合は、LITEKEY の担当者にご相談ください。
1.保管条件:
a. 結露した湿気の環境に継続的にさらされることを避け、製品を周囲温度の急激な変化から遠ざけてください。
b. LED は温度 ≤ 30℃、相対湿度 ≤ 60% で保管してください。
c. オリジナルの密封パッケージに入った製品は、開封後 72 時間以内に組み立てることをお勧めします。開封後1週間以上経過した製品は、85~100℃で30(+10/-0)時間ベーキングしてください。

4. リードフォーミングの際は、曲げの力が LED レンズやその内部構造に伝わらないように、工具や治具を使用してリードをしっかりと保持してください。部品を基板に実装した後はリードフォーミングを行わないでください(図④)。
5. リードを2回以上曲げないでください。 (図⑤)
6. はんだ付け中、LED に損傷を与えるストレスがかからないように、コンポーネントのカバーとホルダーには隙間を残す必要があります。
7. スルーホール LED はリフローはんだ付けに対応していません。
8. クリーニング:
a. 室温では、必要に応じて、イソプロピル アルコールのみを使用して洗浄を 1 分以内に行ってください。使用前に室温で乾燥させてください。
b. LED を超音波で洗浄しないでください。どうしても必要な場合、超音波洗浄による LED への影響は、超音波出力や組み立て状態などの要因によって異なります。超音波洗浄は、LED に損傷を与えないように事前に認定されている必要があります。
9. その他:
a. 上記仕様は予告なく変更する場合がございます。 LITEKEY は、上記仕様の重大な変更に関する権限を留保します。
b. 本製品をご使用の際は、仕様書に記載されている絶対最大定格および使用上の注意に従ってください。 LITEKEY は、絶対最大定格および仕様書に記載されている指示に従わない製品の使用によって生じた損害については、一切の責任を負いません。
これらの仕様書には、LITEKEY COMPANY LIMITED の著作権で保護されている資料が含まれています。 LITEKEYの許可なく無断で転載することはご遠慮ください。