LLS0805UR1UG1
LITEKEY
8541401000
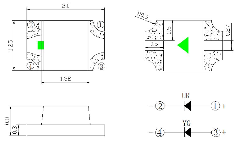
0805 赤緑デュアルカラー表面実装 LED (LLS0805UR1UG1)
DUAL COLORのパッケージ寸法 チップLED 0805
注意事項:
1.すべての寸法はミリメートル[単位]です。
2.特に指定がない限り、公差は±0.1mm(0.004インチ)です。
3.仕様は予告なく変更する場合がございます。
・特徴
2.0*1.25*0.80mm
単色タイプ
はんだ付け方式:全SMT実装方式
ROHS規格に準拠
2色タイプ。
はんだ付け方式:すべてSMT実装方式。
ROHS規格に準拠します。
非常に小さいサイズ (2x1.25x0.8mm)。
動作温度範囲 ~ -40℃~+85℃。
0805 業界標準の設置面積。
小型デバイスでのアプリケーションに非常に適しています。
信頼性の高い性能。
広い視野角。
フラットトップ発光面。
・説明
このデュアルカラーは SMD LED 0805はで作られています InGaNと インガAIP サファイアの上に
発光ダイオード。
0805赤緑チップLEDの応用
光学式インジケーター
電話機とFAXのインジケーターとバックライト
LCD、スイッチ、シンボル用のフラット バックライト
ライトパイプの応用
一般用途
部品番号 | 放出された 色 | レンズカラー | チップ材質 |
LLS0805UR1UG1(0.80) | Red | ウォータークリア | インガAIP |
黄色 緑 | InGaAIP |
絶対最大定格(Ta=25℃)
アイテム | シンボル | 最大 | ユニット | |
UR | UG | |||
消費電力 | PD | 75 | 75 | mW |
連続順電流 | IFmax | 30 | 30 | ミリアンペア |
ピーク順電流(1/10 デューティサイクル 0.1ms パルス幅) | IFP | 140 | 140 | ミリアンペア |
R逆電圧 | VR | 5 | 5 | V |
動作温度範囲 | T作戦 | -40 ~ +85 | ℃ | |
保存温度範囲 | Tstg | -40 ~ +85 | ℃ | |
鉛 はんだ温度 | ツォル | リフローはんだ付け:260 ℃ 5秒間 手はんだ : 350 ℃ 3秒間 | ||
電気的・光学的特性(Ta=25℃)
アイテム | シンボル | Condition | 分。 | 典型的。 | マックス. | ユニット | ||||
UR | UG | UR | UG | UR | UG | |||||
順電圧 | VF | IF=20mA |
|
| --- | --- |
|
| V | |
光度 | IV | IF=20mA | 70 | 30 | --- | --- | 200 | 70 | マクド | |
波長 | ld | IF=20mA | 620 | 565 | -- | -- | 625 | 575 | nm | |
視野角 | 2θ1/2 | IF=20mA | -- | -- | 120 | 120 | -- | -- | 度 | |
逆電流 | IR | VR =5V | -- | -- | -- | -- | 10 | 10 | uA | |
0805 BLUE ChipLEDの信頼性試験項目と条件
いいえ。 | アイテム | 試験条件 | テスト 時間/サイクル/時間 | サンプル 数量 | エーカー |
1 | リフロー | 温度:260±5℃; 最短5秒 | 6分 | 22個 | 0/1 |
2 | 温度サイクル | H:+100℃ 15分 まで(5分) L:-40℃ 15分 | 20サイクル | 22個 | 0/1 |
3 | 熱衝撃 | H:+100℃ 15分 まで(5分) L:-40℃ 15分 | 100サイクル | 22個 | 0/1 |
4 | 高温 ストレージ | 温度: 85℃ | 1000時間 | 22個 | 0/1 |
5 | 低温 ストレージ | 温度:-40℃ | 1000時間 | 22個 | 0/1 |
6 | 直流動作寿命 | IF=20MA | 1000時間 | 22個 | 0/1 |
7 | 高湿度 | 85%RH | 1000時間 | 22個 | 0/1 |
SMD LED 0805 の SMT リフローはんだ付け手順
注:
1. リフロー温度は245±5℃を推奨します。半田付けの最高温度は260℃、10秒以内としてください。
2. 高温にさらされるときにエポキシ樹脂にストレスを与えないでください。
3. リフロー工程は2回以内としてください。
チップLED 0805の製造:
0805 赤緑デュアルカラー表面実装 LED (LLS0805UR1UG1)
DUAL COLORのパッケージ寸法 チップLED 0805
注意事項:
1.すべての寸法はミリメートル[単位]です。
2.特に指定がない限り、公差は±0.1mm(0.004インチ)です。
3.仕様は予告なく変更する場合がございます。
・特徴
2.0*1.25*0.80mm
単色タイプ
はんだ付け方式:全SMT実装方式
ROHS規格に準拠
2色タイプ。
はんだ付け方式:すべてSMT実装方式。
ROHS規格に準拠します。
非常に小さいサイズ (2x1.25x0.8mm)。
動作温度範囲 ~ -40℃~+85℃。
0805 業界標準の設置面積。
小型デバイスでのアプリケーションに非常に適しています。
信頼性の高い性能。
広い視野角。
フラットトップ発光面。
・説明
このデュアルカラーは SMD LED 0805はで作られています InGaNと インガAIP サファイアの上に
発光ダイオード。
0805赤緑チップLEDの応用
光学式インジケーター
電話機とFAXのインジケーターとバックライト
LCD、スイッチ、シンボル用のフラット バックライト
ライトパイプの応用
一般用途
部品番号 | 放出された 色 | レンズカラー | チップ材質 |
LLS0805UR1UG1(0.80) | Red | ウォータークリア | インガAIP |
黄色 緑 | InGaAIP |
絶対最大定格(Ta=25℃)
アイテム | シンボル | 最大 | ユニット | |
UR | UG | |||
消費電力 | PD | 75 | 75 | mW |
連続順電流 | IFmax | 30 | 30 | ミリアンペア |
ピーク順電流(1/10 デューティサイクル 0.1ms パルス幅) | IFP | 140 | 140 | ミリアンペア |
R逆電圧 | VR | 5 | 5 | V |
動作温度範囲 | T作戦 | -40 ~ +85 | ℃ | |
保存温度範囲 | Tstg | -40 ~ +85 | ℃ | |
鉛 はんだ温度 | ツォル | リフローはんだ付け:260 ℃ 5秒間 手はんだ : 350 ℃ 3秒間 | ||
電気的・光学的特性(Ta=25℃)
アイテム | シンボル | Condition | 分。 | 典型的。 | マックス. | ユニット | ||||
UR | UG | UR | UG | UR | UG | |||||
順電圧 | VF | IF=20mA |
|
| --- | --- |
|
| V | |
光度 | IV | IF=20mA | 70 | 30 | --- | --- | 200 | 70 | マクド | |
波長 | ld | IF=20mA | 620 | 565 | -- | -- | 625 | 575 | nm | |
視野角 | 2θ1/2 | IF=20mA | -- | -- | 120 | 120 | -- | -- | 度 | |
逆電流 | IR | VR =5V | -- | -- | -- | -- | 10 | 10 | uA | |
0805 BLUE ChipLEDの信頼性試験項目と条件
いいえ。 | アイテム | 試験条件 | テスト 時間/サイクル/時間 | サンプル 数量 | エーカー |
1 | リフロー | 温度:260±5℃; 最短5秒 | 6分 | 22個 | 0/1 |
2 | 温度サイクル | H:+100℃ 15分 まで(5分) L:-40℃ 15分 | 20サイクル | 22個 | 0/1 |
3 | 熱衝撃 | H:+100℃ 15分 まで(5分) L:-40℃ 15分 | 100サイクル | 22個 | 0/1 |
4 | 高温 ストレージ | 温度: 85℃ | 1000時間 | 22個 | 0/1 |
5 | 低温 ストレージ | 温度:-40℃ | 1000時間 | 22個 | 0/1 |
6 | 直流動作寿命 | IF=20MA | 1000時間 | 22個 | 0/1 |
7 | 高湿度 | 85%RH | 1000時間 | 22個 | 0/1 |
SMD LED 0805 の SMT リフローはんだ付け手順
注:
1. リフロー温度は245±5℃を推奨します。半田付けの最高温度は260℃、10秒以内としてください。
2. 高温にさらされるときにエポキシ樹脂にストレスを与えないでください。
3. リフロー工程は2回以内としてください。
チップLED 0805の製造: