LD3342A/Bシリーズ
1000個
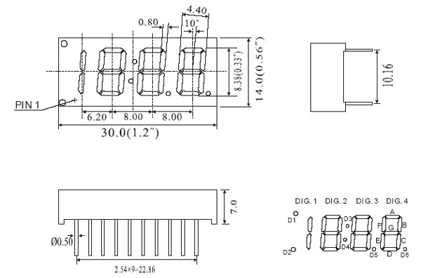
ノート:
1.すべての寸法はミリメートル(インチ)単位で、公差は+ 特に記載がない限り、0.25 mm(0.01インチ)。
2.仕様は予告なしに変更されることがあります。
3.反射板とプリント基板の間隔は0.25mmを超えてはいけません。
表1:
| 4桁7セグメントLEDディスプレイ、桁の高さ:8.38 mm(0.33インチ)、外形寸法:30.00 x 14.00 x 7.00 mm(L x W x H mm) | ||||||||
| 品番 | チップ | 私V@私F= 20mA | Iv @ IF= 20mA | |||||
| コモンカソード | 一般 アノード | 素材 | 色 | WLD | ワンセグ | 1 DP | ||
| 分 | タイプ | 分 | タイプ | |||||
| LD3342AR | LD3342BR | GaAlAs | スーパーレッド | 640 | 8 | 10 | 8 | 10 |
| LD3342AD | LD3342BD | GaAlAs | こんにちは赤 | 640 | 18 | 25 | 18 | 25 |
| LD3342AO | LD3342BO | GaAsP | オレンジ | 625 | 7 | 9 | 7 | 9 |
| LD3342AY | LD3342BY | GaAsP | 黄 | 588 | 8 | 10 | 8 | 10 |
| LD3342AG | LD3342BG | ギャップ | 緑 | 568 | 7 | 9 | 7 | 9 |
| LD3342AUR | LD3342BUR | AlGaInP | ウルトラレッド | 640 | 30 | 45 | 30 | 45 |
| LD3342AUO | LD3342BUO | AlGaInP | ウルトラオレンジ | 625 | 45 | 60 | 45 | 60 |
| LD3342AUA | LD3342BUA | AlGaInP | ウルトラアンバー | 605 | 30 | 45 | 30 | 45 |
| LD3342AUY | LD3342BUY | AlGaInP | ウルトライエロー | 595 | 30 | 45 | 30 | 45 |
| LD3342AUG | LD3342BUG | AlGaInP | ウルトラグリーン | 573 | 30 | 45 | 30 | 45 |
| LD3342APG | LD3342BPG | InGaN | ピュアグリーン | 525 | 120 | 300 | 120 | 300 |
| LD3342AUB | LD3342BUB | InGaN | ウルトラブルー | 470 | 30 | 45 | 30 | 45 |
| LD3342AUW | LD3342BUW | InGaN | ウルトラホワイト | \ | 100 | 120 | 100 | 120 |
| 単位: | \ | \ | \ | nm | McD | McD | McD | McD |
表2:
| 色 | 電気光学特性[1] | 絶対最大定格[1] | |||||
| 順方向電圧@ IF = 20mA | 逆 | 消費電力 | DC順方向電流 | ピーク順方向電流[2] | |||
| タイプ | 最大 | ||||||
| スーパーレッド | 1セグメントあたり | 1.8 | 2.2 | 30 | 60 | 25 | 100 |
| DPあたり | 1.8 | 2.2 | 30 | 60 | 25 | 100 | |
| こんにちは赤 | 1セグメントあたり | 1.8 | 2.2 | 30 | 60 | 25 | 100 |
| DPあたり | 1.8 | 2.2 | 30 | 60 | 25 | 100 | |
| オレンジ | 1セグメントあたり | 2.1 | 2.5 | 30 | 80 | 30 | 100 |
| DPあたり | 2.1 | 2.5 | 30 | 80 | 30 | 100 | |
| 黄 | 1セグメントあたり | 2.1 | 2.5 | 30 | 80 | 30 | 100 |
| DPあたり | 2.1 | 2.5 | 30 | 80 | 30 | 100 | |
| 緑 | 1セグメントあたり | 2.2 | 2.5 | 30 | 80 | 30 | 100 |
| DPあたり | 2.2 | 2.5 | 30 | 80 | 30 | 100 | |
| ウルトラレッド | 1セグメントあたり | 1.9 | 2.6 | 30 | 60 | 30 | 100 |
| DPあたり | 1.9 | 2.6 | 30 | 60 | 30 | 100 | |
| ウルトラオレンジ | 1セグメントあたり | 2 | 2.6 | 30 | 65 | 30 | 100 |
| DPあたり | 2 | 2.6 | 30 | 65 | 30 | 100 | |
| ウルトラアンバー | 1セグメントあたり | 2 | 2.6 | 30 | 65 | 30 | 100 |
| DPあたり | 2 | 2.6 | 30 | 65 | 30 | 100 | |
| ウルトライエロー | 1セグメントあたり | 2 | 2.6 | 30 | 65 | 30 | 100 |
| DPあたり | 2 | 2.6 | 30 | 65 | 30 | 100 | |
| ウルトラグリーン | 1セグメントあたり | 2.1 | 2.6 | 30 | 75 | 30 | 100 |
| DPあたり | 2.1 | 2.6 | 30 | 75 | 30 | 100 | |
| ピュアグリーン | 1セグメントあたり | 3.5 | 4 | 30 | 110 | 30 | 100 |
| DPあたり | 3.5 | 4 | 30 | 110 | 30 | 100 | |
| ウルトラブルー | 1セグメントあたり | 3.5 | 4 | 30 | 120 | 30 | 100 |
| DPあたり | 3.5 | 4 | 30 | 120 | 30 | 100 | |
| ウルトラホワイト | 1セグメントあたり | 3.5 | 4 | 30 | 120 | 30 | 100 |
| DPあたり | 3.5 | 4 | 30 | 120 | 30 | 100 | |
| 単位: | \ | V | V | 私は | MW | mA | mA |
ノート:
Ta = 25°である。
2. 1/10デューティサイクル、0.1msパルスでの順方向電流のピーク値
ノート:
1.すべての寸法はミリメートル(インチ)単位で、公差は+ 特に記載がない限り、0.25 mm(0.01インチ)。
2.仕様は予告なしに変更されることがあります。
3.反射板とプリント基板の間隔は0.25mmを超えてはいけません。
表1:
| 4桁7セグメントLEDディスプレイ、桁の高さ:8.38 mm(0.33インチ)、外形寸法:30.00 x 14.00 x 7.00 mm(L x W x H mm) | ||||||||
| 品番 | チップ | 私V@私F= 20mA | Iv @ IF= 20mA | |||||
| コモンカソード | 一般 アノード | 素材 | 色 | WLD | ワンセグ | 1 DP | ||
| 分 | タイプ | 分 | タイプ | |||||
| LD3342AR | LD3342BR | GaAlAs | スーパーレッド | 640 | 8 | 10 | 8 | 10 |
| LD3342AD | LD3342BD | GaAlAs | こんにちは赤 | 640 | 18 | 25 | 18 | 25 |
| LD3342AO | LD3342BO | GaAsP | オレンジ | 625 | 7 | 9 | 7 | 9 |
| LD3342AY | LD3342BY | GaAsP | 黄 | 588 | 8 | 10 | 8 | 10 |
| LD3342AG | LD3342BG | ギャップ | 緑 | 568 | 7 | 9 | 7 | 9 |
| LD3342AUR | LD3342BUR | AlGaInP | ウルトラレッド | 640 | 30 | 45 | 30 | 45 |
| LD3342AUO | LD3342BUO | AlGaInP | ウルトラオレンジ | 625 | 45 | 60 | 45 | 60 |
| LD3342AUA | LD3342BUA | AlGaInP | ウルトラアンバー | 605 | 30 | 45 | 30 | 45 |
| LD3342AUY | LD3342BUY | AlGaInP | ウルトライエロー | 595 | 30 | 45 | 30 | 45 |
| LD3342AUG | LD3342BUG | AlGaInP | ウルトラグリーン | 573 | 30 | 45 | 30 | 45 |
| LD3342APG | LD3342BPG | InGaN | ピュアグリーン | 525 | 120 | 300 | 120 | 300 |
| LD3342AUB | LD3342BUB | InGaN | ウルトラブルー | 470 | 30 | 45 | 30 | 45 |
| LD3342AUW | LD3342BUW | InGaN | ウルトラホワイト | \ | 100 | 120 | 100 | 120 |
| 単位: | \ | \ | \ | nm | McD | McD | McD | McD |
表2:
| 色 | 電気光学特性[1] | 絶対最大定格[1] | |||||
| 順方向電圧@ IF = 20mA | 逆 | 消費電力 | DC順方向電流 | ピーク順方向電流[2] | |||
| タイプ | 最大 | ||||||
| スーパーレッド | 1セグメントあたり | 1.8 | 2.2 | 30 | 60 | 25 | 100 |
| DPあたり | 1.8 | 2.2 | 30 | 60 | 25 | 100 | |
| こんにちは赤 | 1セグメントあたり | 1.8 | 2.2 | 30 | 60 | 25 | 100 |
| DPあたり | 1.8 | 2.2 | 30 | 60 | 25 | 100 | |
| オレンジ | 1セグメントあたり | 2.1 | 2.5 | 30 | 80 | 30 | 100 |
| DPあたり | 2.1 | 2.5 | 30 | 80 | 30 | 100 | |
| 黄 | 1セグメントあたり | 2.1 | 2.5 | 30 | 80 | 30 | 100 |
| DPあたり | 2.1 | 2.5 | 30 | 80 | 30 | 100 | |
| 緑 | 1セグメントあたり | 2.2 | 2.5 | 30 | 80 | 30 | 100 |
| DPあたり | 2.2 | 2.5 | 30 | 80 | 30 | 100 | |
| ウルトラレッド | 1セグメントあたり | 1.9 | 2.6 | 30 | 60 | 30 | 100 |
| DPあたり | 1.9 | 2.6 | 30 | 60 | 30 | 100 | |
| ウルトラオレンジ | 1セグメントあたり | 2 | 2.6 | 30 | 65 | 30 | 100 |
| DPあたり | 2 | 2.6 | 30 | 65 | 30 | 100 | |
| ウルトラアンバー | 1セグメントあたり | 2 | 2.6 | 30 | 65 | 30 | 100 |
| DPあたり | 2 | 2.6 | 30 | 65 | 30 | 100 | |
| ウルトライエロー | 1セグメントあたり | 2 | 2.6 | 30 | 65 | 30 | 100 |
| DPあたり | 2 | 2.6 | 30 | 65 | 30 | 100 | |
| ウルトラグリーン | 1セグメントあたり | 2.1 | 2.6 | 30 | 75 | 30 | 100 |
| DPあたり | 2.1 | 2.6 | 30 | 75 | 30 | 100 | |
| ピュアグリーン | 1セグメントあたり | 3.5 | 4 | 30 | 110 | 30 | 100 |
| DPあたり | 3.5 | 4 | 30 | 110 | 30 | 100 | |
| ウルトラブルー | 1セグメントあたり | 3.5 | 4 | 30 | 120 | 30 | 100 |
| DPあたり | 3.5 | 4 | 30 | 120 | 30 | 100 | |
| ウルトラホワイト | 1セグメントあたり | 3.5 | 4 | 30 | 120 | 30 | 100 |
| DPあたり | 3.5 | 4 | 30 | 120 | 30 | 100 | |
| 単位: | \ | V | V | 私は | MW | mA | mA |
ノート:
Ta = 25°である。
2. 1/10デューティサイクル、0.1msパルスでの順方向電流のピーク値