LSD2030A/B
LITEKEY
8531200000
0.2 インチ 3 桁数字 SMD LED ディスプレイ
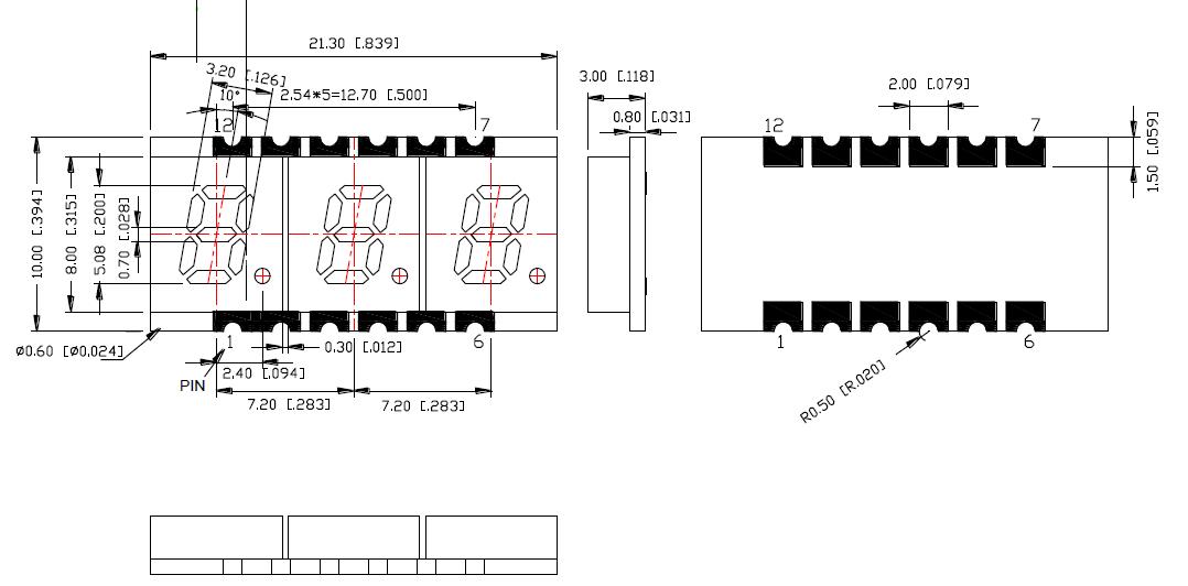
1. 外形寸法と 内部回路図
注:
すべての寸法はミリメートル (インチ) 単位であり、特に指定がない限り、公差は 0.25 mm (0.010) です。
2. 選定ガイド
部品番号 | チップ | Iv@IF=20mA | ||||
一般 アノード | 一般 陰極 | 材料 | 色 | WLD | チップごと | |
分。 | 典型的。 | |||||
LSD2030BR-G | LSD2030AR-G | AlGaInP | スーパーレッド | 640 | - | 8 |
LSD2030BUR-G | LSD2030AUR-G | AlGaInP | ウルトラレッド | 620 | - | 15 |
LSD2030BO-G | LSD2030AO-G | AlGaInP | オレンジ | 605 | - | 40 |
LSD2030BY-G | LSD2030AY-G | AlGaInP | 黄色 | 580 | - | 50 |
LSD2030BG-G | LSD2030AG-G | AlGaInP | 緑 | 570 | - | 16 |
LSD2030BPG-G | LSD2030APG-G | InGaN | ピュアグリーン | 520 | - | 35 |
LSD2030BB-G | LSD2030AB-G | InGaN | 青 | 470 | - | 25 |
LSD2030BW-G | LSD2030AW-G | InGaN | 白 | x0.27/y0.25 | - | 60 |
ユニット: | \ | \ | \ | nm | マクド | マクド |
3. 電気的特性と絶対最大定格
パラメータ | 電気光学 特徴[1] | 絶対最大定格[1] | ||||
発光色 | 順電圧 @IF=20mA | 逆行する | 消費電力 | 直流順電流 | ピーク順電流[2] | |
チップごと | 典型的。 | 最大。 | ||||
スーパーレッド | 2.0 | 2.6 | 30 | 60 | 20 | 100 |
ウルトラレッド | 2.0 | 2.6 | 30 | 65 | 20 | 100 |
オレンジ | 2.0 | 2.6 | 30 | 65 | 20 | 100 |
黄色 | 2.0 | 2.6 | 30 | 65 | 20 | 100 |
緑 | 2.0 | 2.6 | 30 | 75 | 20 | 100 |
ピュアグリーン | 3.0 | 3.6 | 30 | 85 | 20 | 100 |
青 | 3.0 | 3.6 | 30 | 85 | 20 | 100 |
白 | 3.0 | 3.6 | 30 | 85 | 20 | 100 |
ユニット: | V | V | uA | mW | ミリアンペア | ミリアンペア |
5. 適用 表面実装 LED ディスプレイ
﹒家電製品。
﹒インストルメントパネル。
﹒デジタル読み取り値が表示されます。
詳細についてはお問い合わせください。
当社のサービス/LITEKEYが選ばれる理由
1. プロフェッショナルサービス: 24時間以内(平日)に返信させていただきます。
2. ランプ LED のさまざまな既成成形品が利用可能です。 成形品に追加料金を支払う必要はありません。
3. 私たちはまた、あなたの要求に従ってカスタマイズされた製品、デザインを提供することができます。
4. 信頼性が高く安定した品質: 各ピースの 100% テスト。自動検査およびビンコード選択機。
5. 経験: LED コンポーネントを 14 年以上製造しています。
6.先進設備:ASM自動生産機(LED自動機の最大ブランド)
7.集中力:LEDの研究開発、生産、販売に注力します。
0.2 インチ 3 桁数字 SMD LED ディスプレイ
1. 外形寸法と 内部回路図
注:
すべての寸法はミリメートル (インチ) 単位であり、特に指定がない限り、公差は 0.25 mm (0.010) です。
2. 選定ガイド
部品番号 | チップ | Iv@IF=20mA | ||||
一般 アノード | 一般 陰極 | 材料 | 色 | WLD | チップごと | |
分。 | 典型的。 | |||||
LSD2030BR-G | LSD2030AR-G | AlGaInP | スーパーレッド | 640 | - | 8 |
LSD2030BUR-G | LSD2030AUR-G | AlGaInP | ウルトラレッド | 620 | - | 15 |
LSD2030BO-G | LSD2030AO-G | AlGaInP | オレンジ | 605 | - | 40 |
LSD2030BY-G | LSD2030AY-G | AlGaInP | 黄色 | 580 | - | 50 |
LSD2030BG-G | LSD2030AG-G | AlGaInP | 緑 | 570 | - | 16 |
LSD2030BPG-G | LSD2030APG-G | InGaN | ピュアグリーン | 520 | - | 35 |
LSD2030BB-G | LSD2030AB-G | InGaN | 青 | 470 | - | 25 |
LSD2030BW-G | LSD2030AW-G | InGaN | 白 | x0.27/y0.25 | - | 60 |
ユニット: | \ | \ | \ | nm | マクド | マクド |
3. 電気的特性と絶対最大定格
パラメータ | 電気光学 特徴[1] | 絶対最大定格[1] | ||||
発光色 | 順電圧 @IF=20mA | 逆行する | 消費電力 | 直流順電流 | ピーク順電流[2] | |
チップごと | 典型的。 | 最大。 | ||||
スーパーレッド | 2.0 | 2.6 | 30 | 60 | 20 | 100 |
ウルトラレッド | 2.0 | 2.6 | 30 | 65 | 20 | 100 |
オレンジ | 2.0 | 2.6 | 30 | 65 | 20 | 100 |
黄色 | 2.0 | 2.6 | 30 | 65 | 20 | 100 |
緑 | 2.0 | 2.6 | 30 | 75 | 20 | 100 |
ピュアグリーン | 3.0 | 3.6 | 30 | 85 | 20 | 100 |
青 | 3.0 | 3.6 | 30 | 85 | 20 | 100 |
白 | 3.0 | 3.6 | 30 | 85 | 20 | 100 |
ユニット: | V | V | uA | mW | ミリアンペア | ミリアンペア |
5. 適用 表面実装 LED ディスプレイ
﹒家電製品。
﹒インストルメントパネル。
﹒デジタル読み取り値が表示されます。
詳細についてはお問い合わせください。
当社のサービス/LITEKEYが選ばれる理由
1. プロフェッショナルサービス: 24時間以内(平日)に返信させていただきます。
2. ランプ LED のさまざまな既成成形品が利用可能です。 成形品に追加料金を支払う必要はありません。
3. 私たちはまた、あなたの要求に従ってカスタマイズされた製品、デザインを提供することができます。
4. 信頼性が高く安定した品質: 各ピースの 100% テスト。自動検査およびビンコード選択機。
5. 経験: LED コンポーネントを 14 年以上製造しています。
6.先進設備:ASM自動生産機(LED自動機の最大ブランド)
7.集中力:LEDの研究開発、生産、販売に注力します。